24小時服務熱線
1523916472515239003005
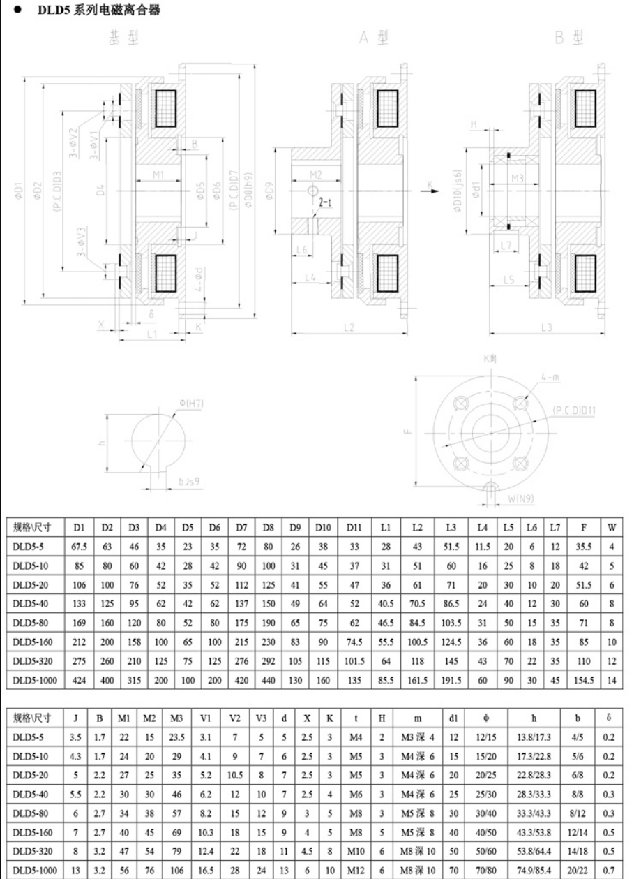
電磁離合器
公司以誠信為本、質量優良、信譽為本、客戶滿意的準則,熱情歡迎新老客戶洽談業務,共同發展
當前位置:首頁 > 產品中心 > 電機制動器 > 電磁離合器
發布日期:2024-05-13
產品描述:
焦作制動器集團股份有限公司是專注于各類型制動器的開發、制作、銷售、服務為一體的專業化制動器生產企業。
推薦產品:
我們會在24小時內回復您的信息,歡迎垂詢!
了解公司新聞動態,獲取行業前沿資訊
DLD5-基本型
DLD5-B電磁離合器
DLD5-A電磁離合器
DLD2-I電磁離合器
DLD2-B電磁離合器
DLD2-A電磁離合器
24小時歡迎咨詢
0391-7548530
關于我們
產品中心
新聞資訊
聯系我們
掃一掃,關注我們
24H
服務熱線:
15239164725
郵箱:577181315@qq.com
地址:河南焦作市制動器工業區
TOP
QQ客服
首頁
電話
短信
位置