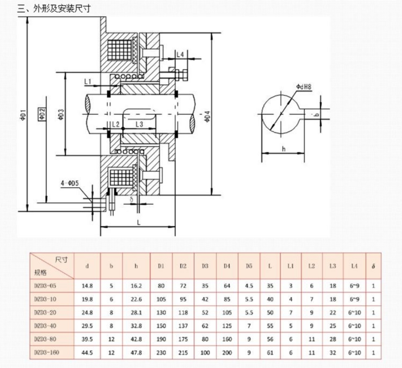
DZD3系列系干式單片通電型制動器。該產品結構簡單、制動延遲時間短制動力矩大。優點是:可水平安裝也可垂直安裝,不受安裝角度影響,消除了電機軸向竄動對制動器氣隙要求較高的影響。
適用于機械傳動系統中需要制動或定位要求的場合。如精密機械、印刷機械、包裝機械、試驗設備及辦公機械等傳動系統中的制動及定位。


通電電磁制動器
公司以誠信為本、質量優良、信譽為本、客戶滿意的準則,熱情歡迎新老客戶洽談業務,共同發展
發布日期:2024-05-18
產品描述:
DZD3系列系干式單片通電型制動器。該產品結構簡單、制動延遲時間短制動力矩大。優點是:可水平安裝也可垂直安裝,不受安裝角度影響,消除了電機軸向竄動對制動器氣隙要求較高的影響。 適用于機械傳動系統中需要制動或定位要求的場合。如精密機械、印刷機械、包裝機械、試驗設備及辦公機械等傳動系統中的制動及定位。
推薦產品:
我們會在24小時內回復您的信息,歡迎垂詢!